气压内藏式带角度定位安装型
- 使用时可切断压力源,压力稳定。
- 重复定位精度<0.005mm,
- 带角度定位,可单独使用。
- 适用于需要减少夹具更换时间的机械加工行业,以及金属或非金属切削领域。
气压内藏式带角向定位安装型
气压解锁,弹簧机械锁紧;
锁紧后可直接切断压力源,压力稳定;
带角向定位,可单颗使用;
适用于金属或非金属切削领域。
气压解锁,弹簧机械锁紧;
重复定位精度<0.005mm;
使用时可切断压力源,压力稳定。
材质:硬化不锈钢;
带角向定位,可单颗使用;

| 订货编号 | 解锁方式 |
夹紧力(kN)
|
拉紧力(kN) |
吹气 |
重量(kg) |
|---|---|---|---|---|---|
|
LQNCD-5 |
气压 |
5 |
13 |
√ |
0.5 |
|
LQNCD-10 |
气压 |
10 |
25 |
√ |
1.4 |
|
LQNCD-20 |
气压 |
17 |
55 |
√ |
2.6 |
|
LQNCD-Z-20 |
气压 |
17 |
55 |
√ |
2.6 |
|
LQNCD-Z-40 |
气压 |
40 |
105 |
√ |
4.2 |
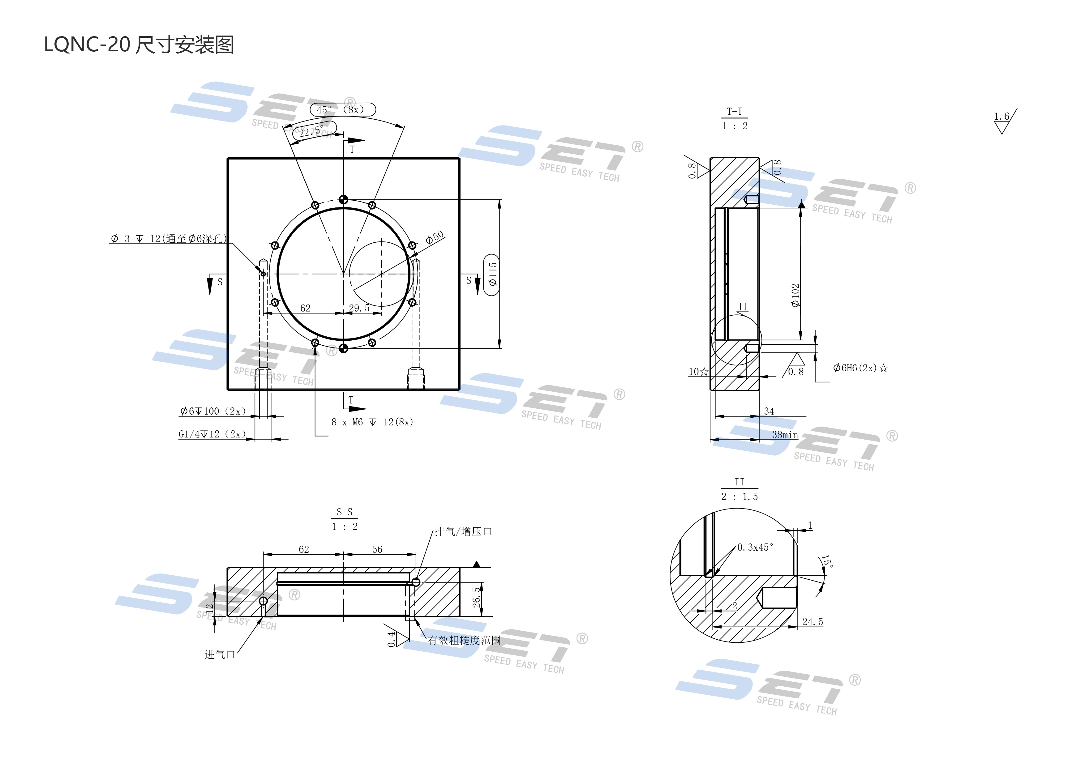
| 订货编号 |
ØDN |
ØD |
ØD1 |
ØD2 |
H |
H1 |
M | K |
|---|---|---|---|---|---|---|---|---|
|
LQNCD-5 |
78 |
58 |
18 |
65 |
21.5 |
8.5 |
8xM4 |
6 |
|
LQNCD-10 |
112 |
78 |
22 |
92 |
25 |
10 |
8xM6 |
8.14 |
|
LQNCD-20 |
138 |
102 |
32 |
115 |
34 |
15 |
8xM6 |
10.14 |
|
LQNCD-Z-20 |
138 | 102 |
32 |
115 |
34 |
15 |
8xM6 | 锥键 |
|
LQNCD-Z-40 |
172 |
127 |
40 |
143 |
45 |
18 |
8xM8 |
锥键 |


