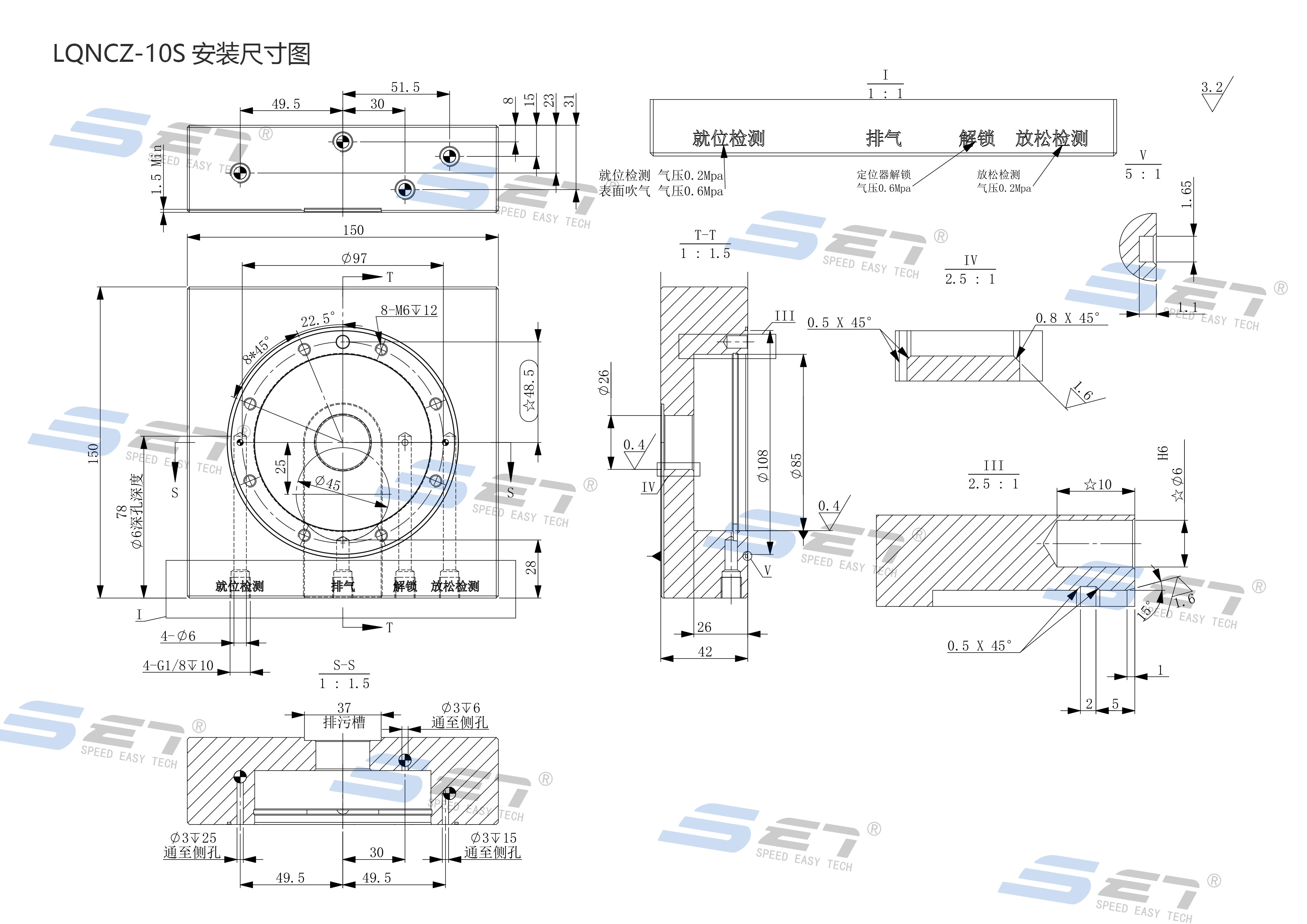
自动化气压托盘举升带角向定位型
- 带有角定位式零位器的自动气动托盘升降机通过气压解锁并通过弹簧机械锁定。
- 具有升降功能和表面吹气清洁功能,具有气密性放松检测接口。
- 平面和锥孔两侧均受约束,定位精度可达0.003mm。
- 单个定位器夹紧力为17kN,拉紧力为55kN。
- 具有角向定位,可单颗使用。
- 适用于柔性生产线。
自动化气压托盘举升型
气压解锁,弹簧机械锁紧;
具备气密性就位放松检测接口。
气压解锁,弹簧机械锁紧;
重复定位精度<0.003mm;
含表面吹气清洁功能;
带角向定位,可以单颗使用。
材质:硬化不锈钢;
含举升功能,双面约束,精度高,刚性强;
具有气密性就位放松检测接口;

| 订货编号 | 解锁方式 | 夹紧力(kN) | 拉紧力(kN) | 吹气 | 举升力(kN) (0.6MPa时) |
重量(kg) |
|---|---|---|---|---|---|---|
| LQNCZ-10S | 气压 | 10 | 25 | √ | 50 | 1.7 |
| LQNCZ-20S | 气压 | 17 | 55 | √ | 100 | 2.5 |
| LQNCZ-40S | 气压 | 40 | 105 | √ | 150 | 4.2 |
| LQNCDZ-10S | 气压 | 10 | 25 | √ | 50 | 1.7 |
| LQNCDZ-20S | 气压 | 17 | 55 | √ | 100 | 2.5 |
| LQNCDZ-40S | 气压 | 40 | 105 | √ | 150 | 4.2 |
| 订货编号 | ØL | ØD (h6) |
ØD1 | ØD2 | H | H1 | H2 | M | K |
|---|---|---|---|---|---|---|---|---|---|
| LQNCZ-10S | 112 | 85 | 26 | 97 | 49 | 11 | 12 | M6 | / |
| LQNCZ-20S | 138 | 110 | 30 | 122 | 57 | 12 | 15 | M6 | / |
| LQNCZ-40S | 172 | 135 | 42 | 152 | 70 | 15 | 18 | M8 | / |
| LQNCDZ-10S | 112 | 85 | 26 | 97 | 49 | 11 | 12 | M6 | 8 |
| LQNCDZ-20S | 138 | 110 | 30 | 122 | 57 | 12 | 15 | M6 | 10 |
| LQNCDZ-40S | 172 | 135 | 42 | 152 | 70 | 15 | 18 | M8 | 10 |



