刀柄快换系统是指数控制机床上的一种自动装置,可实现不停机快速换刀。这样可以大大减少换刀时间,提高生产效率。刀柄快换系统的设计与实现对于提高数控机床加工效率、减少人工干预、降低生产成本具有重要意义。

速易德开发的三种常规刀柄快换装置
也是CCMT2024展会的热门产品
吸引了众多游人驻足观看。

产品介绍

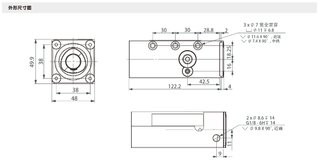
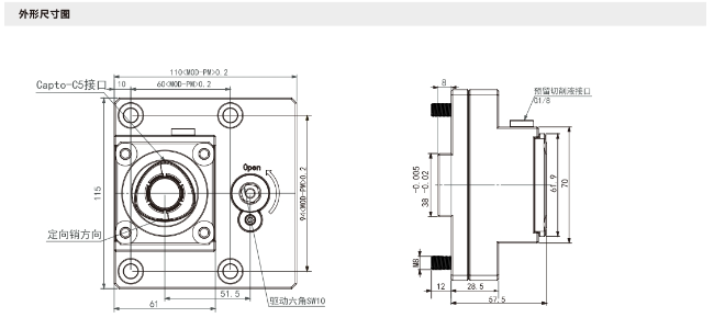
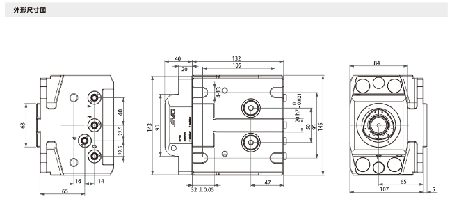
HSK刀柄--工件快换夹具系统 BT刀柄--工件快换夹具系统 CAPTO 刀柄--工件快换夹具系统
手动/液压夹紧装置
>> 手动夹紧装置



>> 镗孔刀座夹紧装置



>>外圆刀座



>>外圆刀座



应用领域
切削过程是通过机床上刀具与工件的相对切削运动来实现的。刀具和工件分别定位,夹紧装置安装在刀柄和夹具上。如果加工时能够保持它们之间正确的相对位置和相对运动,就可以加工出形状正确、精度较高的零件。
由于是动态力加工,除了对刀具、刀柄、夹具本身的精度要求较高外,还应具有合理的结构形状和尺寸,以保证在切削载荷作用后不易变形,即高刚性,从而在切削时保持正确的相对位置,始终实现正确的相对运动,加工出准确的零件。
>> 铣削

>> 铰孔

>> 钻孔

我们拥有的夹具产品组合和专业的研发技术,凭借多年积累的经验,数十年深耕行业,可以提供满足多种需求的自动化装夹技术解决方案,帮助自动化行业设备制造商降低成本降本增效,增强企业核心竞争力。
关键是我们的零定位系统解决方案能够满足各种实际应用场景,苏易德依靠专业的研发生产技术和精益求精的技术要求,已为众多知名企业提供了技术解决方案。
未来,我们将继续坚定初心,坚守核心,坚持创新,不断完善产品和服务,为客户创造更大价值,为推动行业发展和社会进步做出贡献。