气压内藏式安装型
- 气压解锁,弹簧机械锁紧;
- 材质:硬化不锈钢;
- 表面及活塞硬化处理;
- 重复定位精度<0.005mm;
- 锁紧后可直接切断压力源,压力稳定;
- 适用于需减少夹具更换时间的加工行业;
- 适用于金属或非金属切削领域。
气压内藏式安装型
通气后作用于弹簧片上,夹盘处于打开状态拉钉可方便的放入夹紧盘中,
当工作时,断气夹紧进行加工。因此在工作中无须担心气压不稳定情况。
重复定位精度<0.005mm,单颗定位器夹紧力17kN,拉紧力55kN。
气压解锁,弹簧机械锁紧;
表面及活塞硬化处理;
适用于需减少夹具更换时间的加工行业;
材质:硬化不锈钢;
重复定位精度<0.005mm;
适用于金属或非金属切削领域。

| 订货编号 | 解锁方式 |
夹紧力(kN) |
拉紧力(kN) |
吹气 |
重量(kg) |
|---|---|---|---|---|---|
|
LQNC-5 |
气压 |
5 |
13 |
√ |
0.5 |
|
LQNC-10 |
气压 |
10 |
25 |
√ |
1.4 |
|
LQNC-20 |
气压 |
17 |
55 |
√ |
2.6 |
|
LQNC-40 |
气压 |
40 |
105 |
√ |
4.2 |
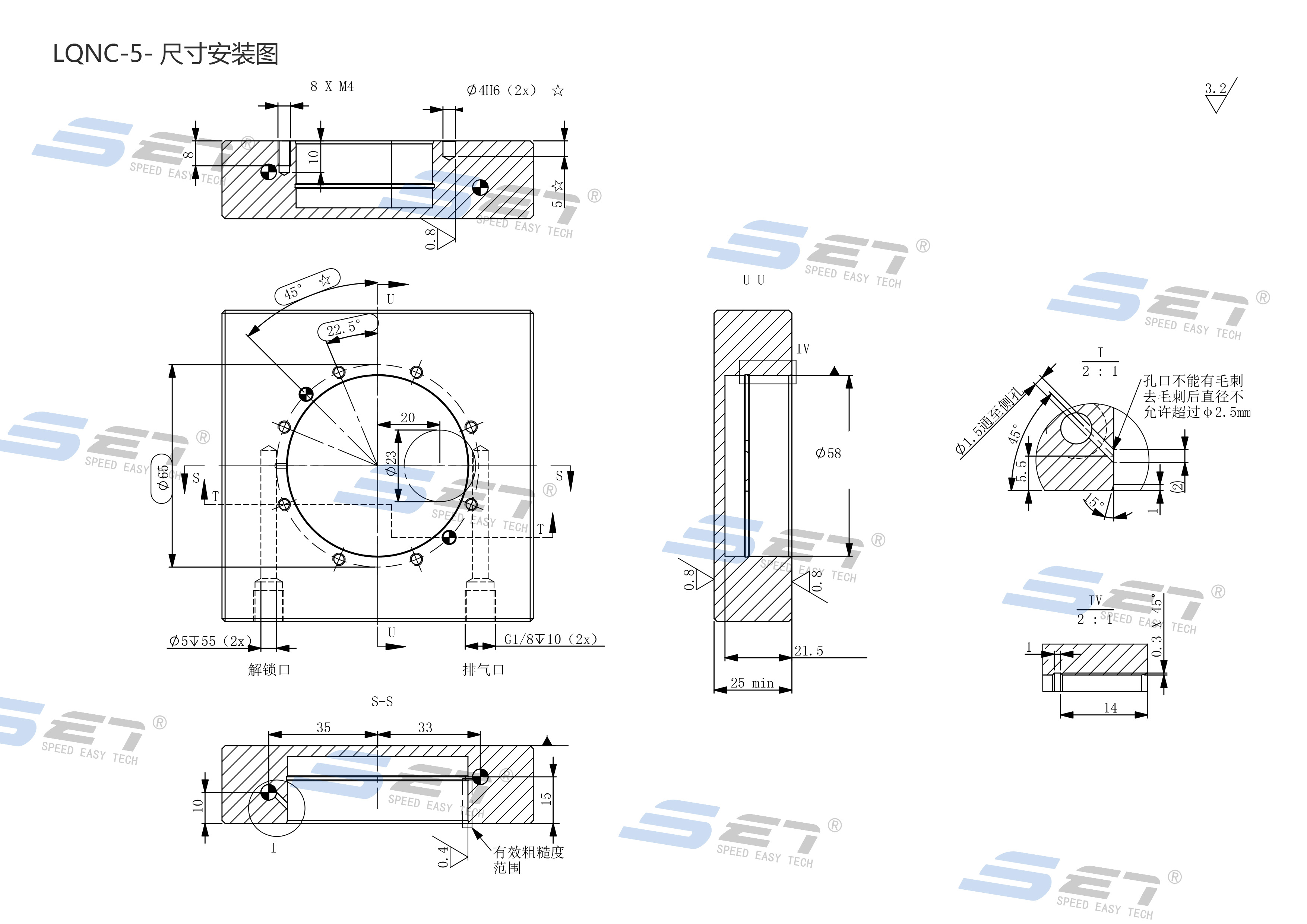
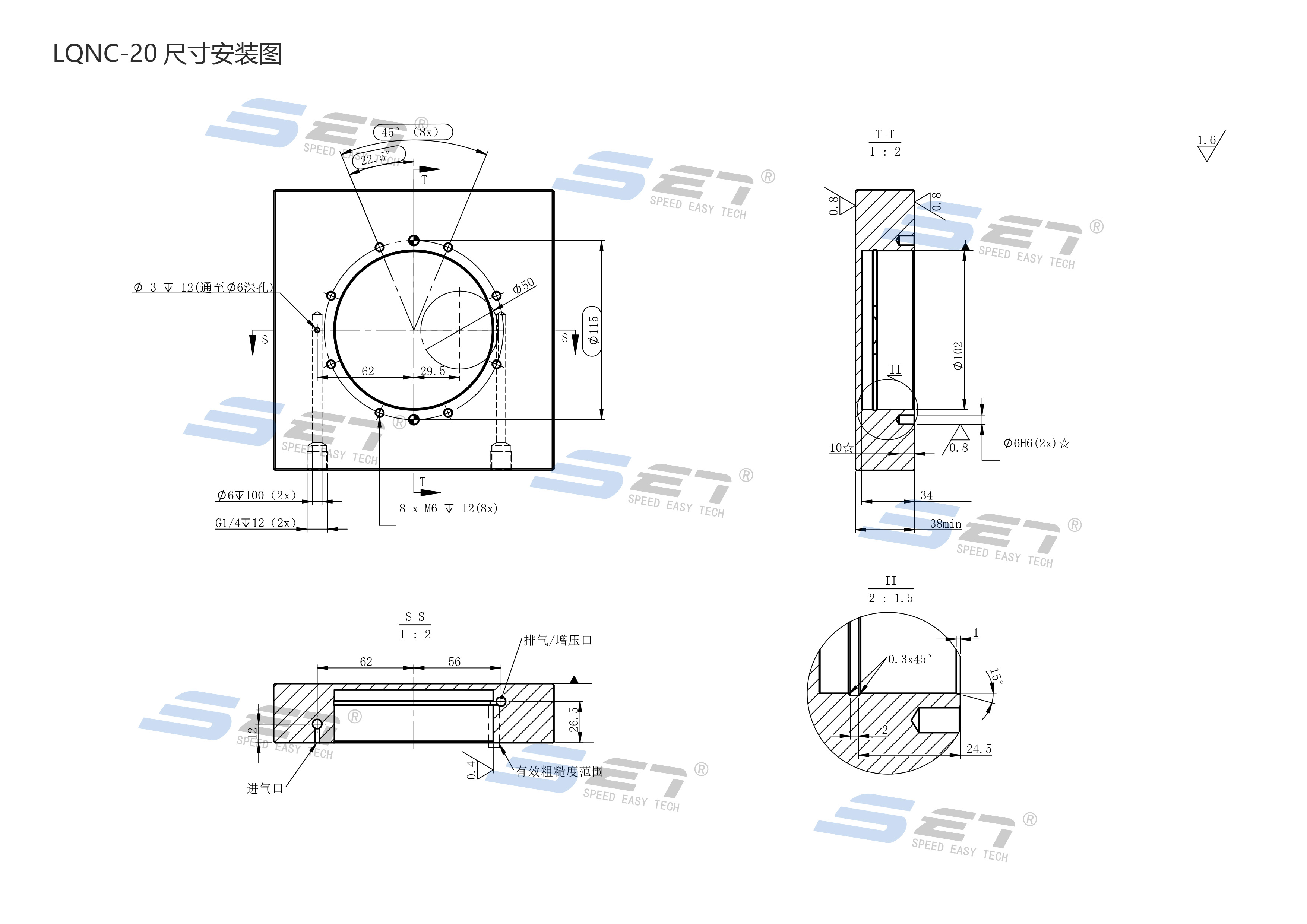
| 订货编号 |
ØDN |
ØD |
ØD1 |
ØD2 |
H |
H |
M |
R |
|---|---|---|---|---|---|---|---|---|
|
LQNC-5 |
78 |
58 |
18 |
65 |
21.5 |
8.5 |
8xM4 |
2xM4 |
|
LQNC-10 |
112 |
78 |
22 |
92 |
25 |
10 |
8xM6 |
2xM6 |
|
LQNC-20 |
138 |
102 |
32 |
115 |
34 |
15 |
8xM6 |
2xM6 |
|
LQNC-40 |
172 |
127 |
40 |
143 |
45 |
18 |
8xM8 |
2xM8 |


